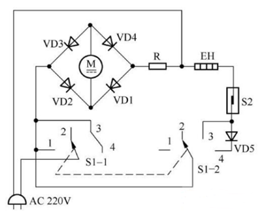
一、電吹風電路核心組件與基本功能


該電吹風電路主要由風扇電動機(M)、加熱器(EH)以及轉換開關(S1,為雙刀四擲開關)等關鍵元器件構成。其中,轉換開關 S1 在電路的多種工作模式切換中發揮著核心作用,以下將對不同檔位下的電路工作狀態進行詳細解讀。


(一)關閉模式
當轉換開關 S1 被撥至 “2” 位置時,整流電路與加熱器電路均無法接通,電吹風整體處于斷電的關閉狀態,所有功能停止運作。
(二)冷風模式
若將 S1 撥至 “1” 位置,加熱器電路被切斷,加熱器 EH 不啟動加熱功能。然而,通過 S1 - 1 的 ① 腳,整流電路得以接通。此時,市電電壓經電阻 R 限流后,流入由 VD1~VD4 組成的橋式整流電路進行整流處理,為電動機 M 提供電能,驅動其旋轉,從而使電吹風吹出自然冷風。
(三)低溫模式
當 S1 處于 “4” 位置時,電路分成兩路工作。一路經 S1 - 2 的 ④ 腳以及二極管 VD5 接通加熱器電路,由于 VD5 對市電電壓實施半波整流,故加熱器 EH 以半功率模式進行加熱;另一路則經 S1 - 1 的 ④、③ 腳接通整流電路,促使電動機 M 開始旋轉,此時電吹風輸出溫度相對較低的熱風。
(四)高溫模式
將 S1 撥至 “3” 位置時,同樣形成兩路電流路徑。一路經 S1 - 2 的 ④、③ 腳接通加熱器電路,市電電壓通過過熱保護器 S2 和 S1 - 2 為加熱器 EH 供應電能,EH 以全功率模式加熱;另一路接通整流電路,帶動電動機 M 旋轉,此時電吹風釋放出溫度較高的熱風。
二、檔位控制與功率調節原理
(一)吹風檔位控制(S1)
當 S1 吹風檔位置于下方,且 S2 未開啟時,220V 市電經 D1 整流轉變為半波信號。該半波信號依次流經 D3,為電機 B1 和 LED 提供電能,隨后電流從 D3 流出并進入 R6 發熱絲,最終回流至 P1 電源座。
若 S1 吹風檔位切換至上方,S2 仍處于關閉狀態,從 P1 進入的電流不再流經 D1,但其余電流路徑與前述情況相同。由于 S1 吹風檔位打到下方時,電流經過 D1 的半波整流,導致 B1、LED、R6 消耗的功率約為 S1 吹風檔位打到上方時的一半。這表現為用戶可感知的風速減小、LED 燈亮度降低以及發熱量減少。
只要電機 B1 處于轉動狀態,電流必然流經 R6 發熱絲并使其發熱。因此,該電吹風無法實現單純的冷風吹拂功能,吹風時必然伴隨加熱過程。
(二)發熱檔位控制(S2)
S2 的主要功能是控制 R1 發熱絲的檔位。R1 的發熱量受電流是否經過 D2 二極管以及 D1 的影響。僅當 S1 處于開啟狀態時,S2 才能獲得電能,其撥動操作才能對 R1 的加熱狀態產生影響。
當 S1 處于關閉狀態,無論 S2 如何撥動,R1 均無法得電發熱。這種設計具有保護作用,確保只有在風機啟動后,R1 發熱才有實際意義,同時避免了因 R1 無法及時散熱而引發的燒毀風險。
S1 向下撥碼時為小風速模式。由于流經 S2 的電流已經過 D1 的半波整流,無論 D2 向上還是向下撥碼,R1 的發熱功率基本保持一致,且處于較低水平(電流經過 D2 時會產生 1 - 2V 的壓降)。此時,無論 S2 開關如何操作,R1 的發熱量都較小,起到保護作用。
S1 向上撥碼時為大風速模式,此時 S2 的上下撥碼操作能夠顯著改變 R1 的發熱情況。當 S2 向上撥碼時,R1 處于高發熱功率狀態,產生較大的熱量;而當 S2 向下撥碼時,電流經過 D2 進行半波整流,導致 R1 發熱功率減小,產生的熱量相對較少。這種設計確保了只有在大風速吹風時,R1 才能以高發熱功率運行,從而保障了發熱絲的散熱安全。
三、過熱保護電路
現代電吹風通常配備過熱保護電路,以防止因風扇電動機或其供電電路異常(如電機無法正常旋轉或轉速異常)而導致加熱器、外殼等部件過熱損壞。過熱保護功能主要由過熱保護器 S2 實現。正常情況下,當電動機旋轉正常時,加熱器電路產生的溫度處于正常范圍,S2 內的觸點保持閉合狀態。然而,一旦電動機出現旋轉異常或停止轉動,加熱器周圍溫度將迅速升高。S2 檢測到這一溫度變化后,其內部金屬片發生變形,促使觸點斷開,從而切斷加熱器的供電電路,使加熱器停止加熱,有效實現過熱保護,延長電吹風的使用壽命并提高使用安全性。
〈烜芯微/XXW〉專業制造二極管,三極管,MOS管,橋堆等,20年,工廠直銷省20%,上萬家電路電器生產企業選用,專業的工程師幫您穩定好每一批產品,如果您有遇到什么需要幫助解決的,可以直接聯系下方的聯系號碼或加QQ/微信,由我們的銷售經理給您精準的報價以及產品介紹
聯系號碼:18923864027(同微信)
QQ:709211280