電感三點式與電容三點式振蕩電路,原理解析
電感三點式振蕩電路
電感三點式振蕩電路
電感三點式振蕩電路如圖所示。觀察該電路可以發現,晶體管的發射極與其他兩個電極之間連接的是電感,而基極與發射極之間連接的是電感,與集電極之間連接的是電容,滿足射同基反的相位條件。直流通路正常,在幅度條件滿足的情況下可以進行正弦波振蕩。


在分析電感三點式振蕩電路的相位條件時,只需關注選頻網絡的2端是否直接或者通過一電阻與發射極相連,1和3端是否直接或者通過一電阻與基極和集電極相連。這與電容三點式的振蕩電路判別方法相同。
三點式振蕩電路是正弦波發生電路的一種,與所有的正弦波振蕩電路一樣要遵守正弦振蕩的條件。這里將相位條件變換為便于接受的形式。射同基反是在長期教學中發現的規律,用它來分析三點式振蕩電路能否振蕩可以回避電路的組態,對學生來說判斷是否滿足射同基反要比判斷是否滿足相位條件簡單得多。
電容三點式振蕩電路


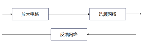
高頻信號發生器電路
高頻信號發生器主要產生高頻正弦振蕩波,其關鍵部分是正弦波振蕩器,一般由晶體管等有源器件和具有某種選頻能力的無源網絡組成的一個反饋系統。放大電路為產生靜態工作電流與三極管構成的電路,對振蕩器工作的穩定性和波形具有很大影響。選頻網絡為LC諧振回路構成的振蕩電路。
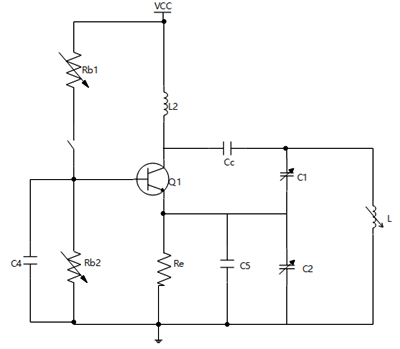
電容三點式振蕩電路原理圖


電容三點式振蕩電路原理圖如圖所示。該電路與發射極相連的兩個電抗元件為同性質的容抗元件C1和C2,與基極和集電極相接的為異性質的電抗元件L,滿足相位條件,因此屬于電容三點式振蕩電路。
電容三點式振蕩電路原理
電容三點式振蕩電路的優點包括輸出波形接近正弦波,頻率穩定度較高,工作頻率范圍較大。然而,其缺點在于當通過調節C1、C2改變振蕩回路工作頻率時,反饋系數同時改變,導致振蕩器的頻率穩定度不高。
工作過程
振蕩器接通電源后,電流從無到有變化,產生脈沖信號。在脈沖信號中包含許多不同頻率的諧波。此時,LC諧振回路起到選頻作用,當LC諧振回路與某一諧波頻率相等時,電路產生諧振。通過電路的正反饋,振蕩幅度不斷增大,晶體管進入非線性區,此時放大器放大倍數減小,最終達到平衡,振蕩幅度不再變化。
通過以上對電感三點式和電容三點式振蕩電路的分析,可以更好地理解其工作原理和特點,為實際電路設計和應用提供理論基礎。
〈烜芯微/XXW〉專業制造二極管,三極管,MOS管,橋堆等,20年,工廠直銷省20%,上萬家電路電器生產企業選用,專業的工程師幫您穩定好每一批產品,如果您有遇到什么需要幫助解決的,可以直接聯系下方的聯系號碼或加QQ/微信,由我們的銷售經理給您精準的報價以及產品介紹
〈烜芯微/XXW〉專業制造二極管,三極管,MOS管,橋堆等,20年,工廠直銷省20%,上萬家電路電器生產企業選用,專業的工程師幫您穩定好每一批產品,如果您有遇到什么需要幫助解決的,可以直接聯系下方的聯系號碼或加QQ/微信,由我們的銷售經理給您精準的報價以及產品介紹
聯系號碼:18923864027(同微信)
QQ:709211280

