電壓反饋
電壓反饋(voltagefeedback-VFB),在模擬電路中,若反饋量與輸出電壓(有時不一定是輸出電壓,而是取樣處的電壓)成正比則為電壓反饋;若反饋量與輸出電流(有時不一定是輸出電流,而是取樣處的電流)成正比則為電流反饋。
對于交流反饋,根據反饋信號在放大電路輸出端采樣方式的不同進行分類,可以分為電壓反饋和電流反饋。若反饋信號是從輸出電壓采樣而得,反饋信號與輸出電壓成正比,則稱為電壓反饋;若反饋信號是從輸出電流采樣而得,反饋信號與輸出電流成正比,則稱為電流反饋。
在判斷電壓反饋和電流反饋時,一般可以采用負載短路法。負載短路法實際上是一種反向推理法,假設將放大電路的負載電阻RL短路,此時,若輸入回路中仍然存在反饋量,即則為電流反饋;若輸入回路中已不存在反饋,即則為電壓反饋。
電壓反饋和電流反饋怎么判斷
一個簡易的判斷方法:
先看反饋是否直接連到Uo輸出端(若不是直接從輸出端引出,則為電流反饋)
再假設輸出電壓Uo為零,或者令負載電阻RL兩端電壓為0,然后看反饋信號是否存在。
若反饋信號不存在了,說明反饋信號與輸出電壓成比例,是電壓反饋。
否則是電流反饋。
電壓反饋和電流反饋判斷例子


反饋引出點和輸出點不直接相連,電流反饋


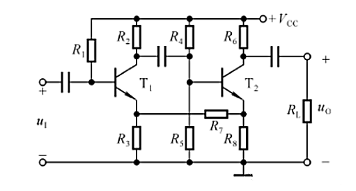
反饋連到Uo輸出端,但是令負載電阻RL兩端電壓為0時,依然有反饋,所以是電流反饋。
下面這個是電壓反饋。




這是電壓反饋,因為該電路兩個條件均滿足:反饋直接連到輸出端,并且Uo=0時,反饋也是0


反饋不是直接連到輸出端,電流反饋


雖然反饋直接連到輸出端(或者你認為Rf反饋電阻構成的電路不是直接連到Uo),但是設令負載電阻RL兩端電壓為0,反饋信號依然存在,是電流反饋。
總結:只有同時滿足兩個條件:反饋直接連到Uo輸出端,輸出電壓為零,或者負載電阻RL兩端電壓為0時,反饋信號不存在了,那就是電壓反饋。
其他全部都是電流反饋。
〈烜芯微/XXW〉專業(yè)制造二極管,三極管,MOS管,橋堆等,20年,工廠直銷省20%,上萬家電路電器生產企業(yè)選用,專業(yè)的工程師幫您穩(wěn)定好每一批產品,如果您有遇到什么需要幫助解決的,可以直接聯系下方的聯系號碼或加QQ/微信,由我們的銷售經理給您精準的報價以及產品介紹
聯系號碼:18923864027(同微信)
QQ:709211280

