IGBT模塊很貴,主要廠家為國外的廠家,我們不得不承認,這個模塊基本是被國外的廠家所壟斷!
即使是國外的管子,有的管子速度快、有的耐壓高、有的電流大,型號各異,特性各異,有的時候,我們在設計大功率開關電源的時候,還需要關注IGBT模塊的內建二極管,尤其是內建二極管的反向恢復時間,那就是恢復速度。
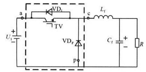
為了用buck電路來做一個100A的恒流源,我選擇SKM150GB123D模塊,它內部有兩個IGBT單元,如果使用一個IGBT開關,另外一個模塊只用它的內建二極管或者寄生二極管,用來作為BUCK電路的續流二極管,豈不美哉!


現在困擾我的是,這個內建二極管或者寄生二極管的速度如何,如果速度快,那就相當beauty了,但是如果速度慢,那就悲哀了,還需要外接一個大容量,高速的二極管,麻煩呀,官方給定的資料不夠,看不出內建二極管的速度。于是我就用DI-100二極管反向恢復測試儀,測試這個IGBT的內建二極管速度。
測試結果給大家分享一下,如下圖。




綜上可以看出

根據測試結果,發現這個IGBT的內建二極管的速度非常快,快得讓我羨慕,可以用來作為BUCK 電路的續流二極管
再找找,發現手頭上還有另外一個300A的IGBT模塊,干脆一起測試一下,分享一下測試結果。測量FF300R12KT4 IGBT內建二極管反向恢復時間測試。




綜上可以看出

根據測試結果,發現這個IGBT的內建二極管的速度快,但不是非常快,如果用來作為BUCK 電路的續流二極管,略微顯得有點不足。。。。還需要考慮再三呀!
總結,如果知道IGBT的內建二極管恢復時間,就可以對IGBT模塊的內建二極管進行充分的利用,優化設計,少走彎路。一個優秀的工程師,當然必須要有足夠好的測試儀器才行。
烜芯微專業制造二極管,三極管,MOS管,橋堆20年,工廠直銷省20%,1500家電路電器生產企業選用,專業的工程師幫您穩定好每一批產品,如果您有遇到什么需要幫助解決的,可以點擊右邊的工程師,或者點擊銷售經理給您精準的報價以及產品介紹
烜芯微專業制造二極管,三極管,MOS管,橋堆20年,工廠直銷省20%,1500家電路電器生產企業選用,專業的工程師幫您穩定好每一批產品,如果您有遇到什么需要幫助解決的,可以點擊右邊的工程師,或者點擊銷售經理給您精準的報價以及產品介紹

