100N04場效應管,100N04參數100A 40V TO-252 中文資料替換
100N04場效應管參數,100N04規格書,100N04引腳圖,100N04中文資料pdf代替
100N04場效應管參數,100N04規格書,100N04引腳圖,100N04中文資料pdf代替

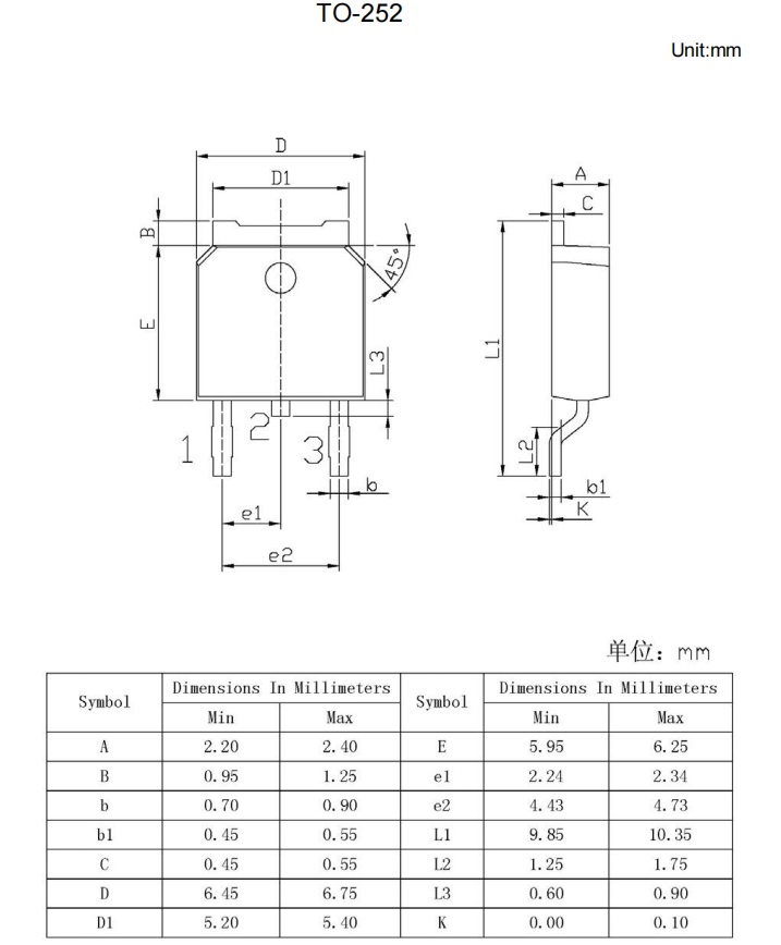
100N04 TO-252封裝參數:點擊查看

100N04場效應管參數具體如下:
封裝類型:TO-252
極性:NPN
極性:NPN
漏極電流:100A
功率耗散:142W
反向傳輸電容Crss:224pF
柵極源極擊穿電壓:±20V
擊穿電壓:40V
存儲溫度:-55℃~+150℃
引腳數:3Pin
導通電阻ID=30A,VGS=10V:Typ 3.8mΩ Max 4.9mΩ
導通電阻ID=20A,VGS=4.5V:Typ 5.7mΩ Max 7.4mΩ
工作溫度:-55℃~+150℃
安裝類型:SMT
二、作用與應用
100N04場效應管的核心作用是作為電子開關使用。在電路中,它通過控制柵極電壓來調節漏源路徑上的電流流動,實現對負載的精確控制。由于其出色的電氣性能,100N04廣泛應用于以下領域:
電源管理:100N04可用于開關電源的開關控制部分,提高電源轉換效率。
信號放大:在信號放大電路中,100N04通過其高性能和可調控的電流特性,實現對信號的精準放大。
電機驅動:適用于低電壓、低電流的小型伺服電機控制或功率MOSFET門驅動器。
邏輯電路:100N04可用于實現數字邏輯功能,如與、或、非等邏輯門。
負載驅動:100N04可用于驅動小功率負載,如繼電器、LED等。
三、TO-252封裝特點
100N04采用TO-252封裝,這是一種表面貼裝技術(SMT)封裝,具有以下特點:
封裝結構:TO-252封裝屬于表面貼裝技術(SMT)封裝之一,也被稱為D-Pak封裝。TO-252具有更小的封裝尺寸和高功率密度,能夠有效節省電路板空間,適合于大規模集成電路的應用。
優異的導電性能:低壓MOS管TO-252最顯著的特點之一是其出色的導電性能。其低導通電阻(Rds(on))確保了在低電壓下的高效率運行,從而減少了能量的損耗。這使得它在電源管理和負載開關應用中非常受歡迎。
高散熱性能:MOSFET在高負載運行時容易產生大量熱量,TO-252封裝設計了更大的接地面積,更有利于散熱管理。通過金屬背面的散熱,提高了MOS管在高功率應用中的可靠性和穩定性。
耐壓與耐流特性:低壓MOS管TO-252通常具有較高的耐壓和耐流特性,這是它能夠在嚴酷的工業環境中長期穩定運行的基礎。
100N04場效應管 TO-252封裝尺寸:

〈烜芯微/XXW〉專業制造二極管,三極管,MOS管,橋堆等,20年,工廠直銷省20%,上萬家電路電器生產企業選用,專業的工程師幫您穩定好每一批產品,如果您有遇到什么需要幫助解決的,可以直接聯系下方的聯系號碼或加QQ/微信,由我們的銷售經理給您精準的報價以及產品介紹
聯系號碼:18923864027
QQ:709211280