50P03場效應管,-50A -30V,50P03參數資料,50P03引腳圖,50P30封裝為DFN3*3,50P03中文資料規格書PDF

50P03 DFN3*3參數封裝:點擊查看

50P03封裝有DFN3*3/DFN5*6/TO-252/TO-220/TO-220F
極性:PNP
Drain-Source Voltage 漏源電壓Vds:-30V
Gate-Source Voltage 柵源電壓Vgs:±25V
Continuous Drain Current 漏極電流Id Tc=25℃:-50A
Continuous Drain Current 漏極電流Id Tc=100℃:-32A
Power Dissipation 功率損耗Pd:52.5W
Static Drain-Source On-Resistance 內阻ID=-10A,VGS=-4.5V:Typ:8.7mΩ Max 14mΩ
Junction and Storage Temperature Range 溫度范圍:-55~+150℃
50P03場效應管DFN3*3-8L封裝尺寸:

50P03場效應管PDFN5*6-8L封裝尺寸:

50P03場效應管DFN3*3-8L封裝尺寸:

50P03場效應管PDFN5*6-8L封裝尺寸:

50P03場效應管TO-252封裝尺寸:

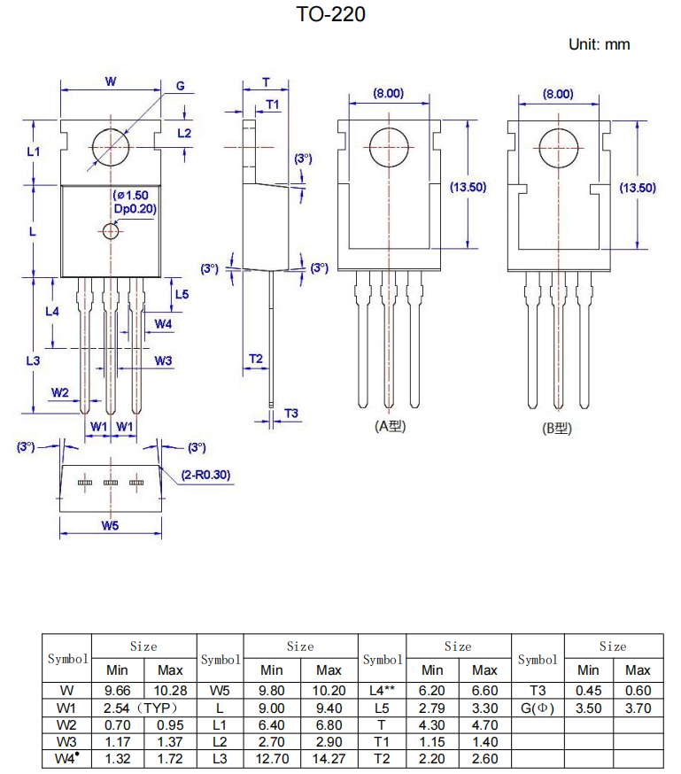
50P03場效應管TO-220封裝尺寸:

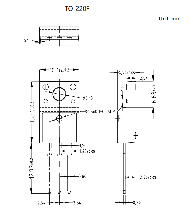
50P03場效應管TO-220F封裝尺寸:

〈烜芯微/XXW〉專業制造二極管,三極管,MOS管,橋堆等,20年,工廠直銷省20%,上萬家電路電器生產企業選用,專業的工程師幫您穩定好每一批產品,如果您有遇到什么需要幫助解決的,可以直接聯系下方的聯系號碼或加QQ/微信,由我們的銷售經理給您精準的報價以及產品介紹
聯系號碼:18923864027(同微信)
QQ:709211280


