一、整流器
整流器是一種將交流電(AC)轉換為直流電(DC)的電氣設備,這一過程稱為整流。整流器有許多用途,包括作為電源的組件和無線電信號的調幅檢測器(包絡檢測器)。整流器通常使用固態二極管制造,但當涉及非常高的電壓或電流時,可以使用其他類型的組件。當僅使用單個二極管來整流交流電時(通過阻擋波形的負或正部分),術語二極管和術語整流器之間的區別只是用途之一。術語整流器描述了用于將交流電轉換為直流電的二極管。大多數整流器電路都包含許多特定排列的二極管,與僅使用單個二極管相比,可以更有效地將交流電轉換為直流電。
1.1 半波整流
在半波整流中,交流波的正半部分或負半部分通過,而另一半則被阻斷。由于只有一半的輸入波形到達輸出,因此如果用于功率傳輸,其效率僅為 50%。如圖6.1所示,在單相電源中使用單個二極管,或在三相電源中使用三個二極管,可以實現半波整流。

圖 6.1 使用一個二極管的半波整流器
在給定正弦輸入的情況下,半波整流器的輸出直流電壓可以用以下理想公式計算:

1.2 全波整流
全波整流器將輸入波形的正負兩半轉換為其輸出端的單極性(正極或負極)。通過使用交流波形的兩半,全波整流比半波更有效。
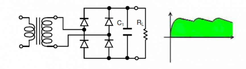
當使用沒有中心抽頭次級的簡單變壓器時,需要四個二極管,而不是半波整流所需的一個二極管。以這種方式排列的四個二極管稱為二極管橋或橋式整流器,如圖 6.2 所示。橋式整流器還可用于將未知或任意極性的直流輸入轉換為已知極性的輸出。在電子電話或其他電話設備中,兩條電話線上的直流極性未知,通常需要這樣做。此外,還可用于防止電池供電電路中的電池意外反轉。

圖 6.2 橋式整流器:使用 4 個二極管的全波整流器
對于單相交流電,如果變壓器是中心抽頭,則兩個背靠背的二極管(即陽極對陽極或陰極對陰極)可以形成一個全波整流器。與上述橋式整流器相比,變壓器次級需要兩倍的繞組才能獲得相同的輸出電壓。從變壓器的角度來看,效率不高,因為在交流輸入的每個正負半周期中,電流僅流過次級的一半。

圖 6.3 使用中心抽頭變壓器和 2 個二極管的全波整流器
如圖6.4所示,如果包含第二對二極管,則可以產生相對于變壓器中心抽頭的正極性和負極性電壓。從圖6.2中可以看出,這種布置與在全波橋式整流器中的次級繞組上增加一個中心抽頭相同。

圖 6.4 使用中心抽頭變壓器和 4 個二極管的雙極性全波整流器
1.3 整流器輸出平滑
半波或全波整流不會產生恒壓直流電,正如我們在前面的圖中看到的那樣。為了從整流交流電源產生穩定的直流電壓,需要濾波器或平滑電路。在最簡單的形式中,這可能只是一個電容器,放置在整流器的直流輸出端。在電壓未完全平滑的情況下,仍將保留一定量的交流紋波電壓。剩余紋波的幅度取決于負載在波形峰值之間對電容器放電的程度。

圖 6.5(a)半波整流器 RC 濾波器

圖 6.5(b)全波整流器 RC 濾波器
濾波電容器的尺寸,C1,表示權衡。對于給定的負載,RL,較大的電容器將降低紋波,但成本更高,并且會在變壓器次級和為其供電的電源中產生更高的峰值電流。在極端情況下,許多整流器被加載到配電電路上,配電網可能難以保持正確形狀的正弦電壓波形。
對于給定的容許紋波,所需的電容尺寸與負載電流成正比,與電源頻率和整流器每個輸入周期的輸出峰值數成反比。負載電流和電源頻率通常不受整流器系統設計人員的控制,但每個輸入周期的峰值數可能會受到整流器設計的選擇的影響。全波整流器電路的最大紋波電壓不僅由平滑電容器的值決定,還由頻率和負載電流決定,計算公式為:

其中:
V脈動是直流輸出
I 上的最大紋波電壓負荷是直流負載電流
,F是紋波的頻率(一般是交流頻率的2倍),
C是平滑電容
半波整流器,圖6.5(a)每個周期只能給出一個峰值,由于這個原因和其他原因,它只用于非常小的電源,并且需要考慮成本和復雜性。圖6.5(b)所示的全波整流器每個周期實現兩個峰值,這是單相輸入所能達到的最佳峰值。對于三相輸入,三相電橋每個周期將產生六個峰值,通過使用放置在整流器之前的變壓器網絡轉換為更高的相序,可以實現更高的峰值數量。
為了進一步降低這種紋波,可以使用如圖6.6所示的LC π濾波器(pi濾波器)。這補充了儲能電容器 C1,帶串聯電感器,L1和第二個濾波電容 C2這樣就可以在最終濾波電容器的端子上獲得更穩定的直流輸出。串聯電感器在紋波電流頻率下具有高阻抗。

圖 6.6 LC π濾波器(pi 濾波器)
濾波器的更常用替代方案,如果直流負載需要非常平滑的電源電壓,則是必不可少的,方法是在濾波電容器后面安裝穩壓器,我們將在第 6.3 節中討論。濾波電容需要足夠大,以防止紋波谷低于所用穩壓器的壓差電壓。穩壓器既可以消除最后的紋波,也可以處理電源和負載特性的變化。可以使用較小的濾波電容(對于大電流電源來說可能很大),然后應用一些濾波和穩壓器,但這不是常見的設計策略。這種方法的極端做法是完全省去濾波電容,將整流后的波形直接放入電感輸入濾波器中。該電路的優點是電流波形更平滑,因此整流器不再需要在輸入正弦波的峰值處將電流作為大電流脈沖處理,而是將電流傳輸分散在更多的周期中。缺點是電壓輸出要低得多 - 大約是交流半周期的平均值,而不是峰值。
〈烜芯微/XXW〉專業制造二極管,三極管,MOS管,橋堆等,20年,工廠直銷省20%,上萬家電路電器生產企業選用,專業的工程師幫您穩定好每一批產品,如果您有遇到什么需要幫助解決的,可以直接聯系下方的聯系號碼或加QQ/微信,由我們的銷售經理給您精準的報價以及產品介紹
聯系號碼:18923864027(同微信)
QQ:709211280