晶體管放大電路的靜態工作點指什么
晶體管放大電路的靜態工作點是指在沒有輸入信號時(即直流條件下),晶體管的集電極電壓和集電極電流的值。靜態工作點可以用來描述晶體管的偏置狀態,通常使用直流負載線和直流電源電壓來確定。
通過設置適當的靜態工作點,可以確保晶體管在線路的直流工作范圍內穩定工作,從而可以在直流條件下實現所需的放大器增益。靜態工作點的選擇影響著放大電路的線性度、功率效率和穩定性等重要性能指標。
靜態工作點的選取需要考慮到晶體管的參數、電路的設計需求以及工作環境等因素,以確保在各種條件下都能夠獲得良好的放大效果。
接法
1.共基極接法


2.共發射極接法


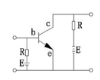
4. 共集電極接法


晶體管放大電路應遵循的基本原則
晶體管放大電路在設計和實際應用中應當遵循以下基本原則:
1. 穩定的靜態工作點:確保晶體管在適當的靜態工作點工作,使其能夠在線路的直流工作范圍內穩定工作,以實現所需的放大器增益。
2. 線性放大:通過適當的偏置和電路設計,使得晶體管放大電路能夠在輸入信號范圍內實現線性放大,避免失真和非線性扭曲。
3. 高頻特性:在高頻條件下,需要考慮晶體管的頻率響應特性,避免在高頻下出現信號衰減和相位失真。
4. 電源供電和隔離:確保電源穩定、干凈,并且做好輸入輸出端的隔離,以防止干擾或者不穩定的電源對放大電路產生影響。
5. 適當的負載匹配:要保證晶體管的輸出能夠有效驅動負載,需要適當的負載匹配設計,以獲得最大的功率傳輸效率。
6. 熱穩定性:晶體管在工作時會產生一定的熱量,放大電路需要考慮到這一點,采取相應的散熱措施,以保證晶體管的穩定工作溫度。
7. 信號隔離和抑制:避免輸入和輸出信號之間相互干擾,確保放大器能夠提供良好的信號隔離和抑制。
〈烜芯微/XXW〉專業制造二極管,三極管,MOS管,橋堆等,20年,工廠直銷省20%,上萬家電路電器生產企業選用,專業的工程師幫您穩定好每一批產品,如果您有遇到什么需要幫助解決的,可以直接聯系下方的聯系號碼或加QQ/微信,由我們的銷售經理給您精準的報價以及產品介紹
聯系號碼:18923864027(同微信)
QQ:709211280