繼電器是控制電路中常用的一種元件,利用電磁感應原理,控制某一回路的接通或斷開,實現用小電流控制大電流,從而減小控制開關觸點的電流負荷,保護開關觸點不被燒蝕。電磁式繼電器一般由鐵芯、線圈、銜鐵、回位彈簧、觸點等組成。
繼電器在電氣控制回路中廣泛使用,例如中間繼電器、時間繼電器、合閘繼電器、跳閘繼電器等等。
繼電器按接通及斷開方式可分為常開繼電器、常閉繼電器,以及常開、常閉混合型繼電器,常見的幾種繼電器如下圖所示。


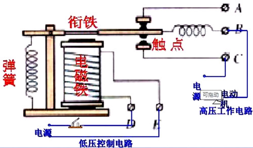
繼電器的工作原理
繼電器的工作原理如下圖所示,在線圈兩端加上一定的電壓,線圈中就會流過一定的電流,從而產生電磁效應,銜鐵就會在電磁力吸引的作用下克服返回彈簧的拉力吸向鐵芯,從而帶動銜鐵的動觸點與靜觸點(常開觸點)吸合。當線圈斷電后,電磁的吸力也隨之消失,銜鐵就會在彈簧的反作用力返回原來的位置,使動觸點與原來的靜觸點(常閉觸點)釋放。


這樣吸合、釋放,從而達到了在電路中的導通、切斷的目的。對于繼電器的“常開、常閉”觸點,可以這樣來區分:繼電器線圈未通電時處于斷開狀態的靜觸點,稱為“常開觸點”;處于接通狀態的靜觸點稱為“常閉觸點”。
電路原理
繼電器是一種當輸入量變化到某一定值時,其觸頭(或電路)即接通 或分斷交直流小容量控制回路。由永久磁鐵保持釋放狀態,加上工作電壓后,電磁感應使銜鐵與永久磁鐵產生吸引和排斥力矩,產生向下的運動,最后達到吸合狀態。
繼電器接線圖
五腳繼電器接線圖


接線原理:繼電器一般都有能反映一定輸入變量(如電流、電壓、功率、阻抗、頻率、溫度、壓力、速度、光等)的感應機構(輸入部分);有能對被控電路實現“通”、“斷”控制的執行機構(輸出部分);
在繼電器的輸入部分和輸出部分之間,還有對輸入量進行耦合隔離,功能處理和對輸出部分進行驅動的中間機構(驅動部分)。
中間繼電器接線圖
5和6是一對公共端子,1和 2是一對常閉觸點,3和4是一對常開觸點。7、8不通電時,5—6和1—2接通,通電后就會斷開1—2,而5—6不斷,再和3—4接通。


一般中間繼電器是雙刀雙擲開關,7—8端子接內部的線圈,使用時會并聯一個續流二極管,二極管接入時的極性和繼電器端子標注相反(8+接二級管的負極,7-接二級管的正極)。
達到預定值時,繼電器會工作驅動電路斷開,那一瞬間會因為自感電壓產生很高的的電流,而這個電流會流過續流二級管,而不會經過起到電路,從而保護了電路中的元件。
繼電器電路圖分享
繼電器電路圖一


繼電器電路圖二


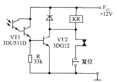
光耦驅動繼電器電路圖

〈烜芯微/XXW〉專業制造二極管,三極管,MOS管,橋堆等,20年,工廠直銷省20%,上萬家電路電器生產企業選用,專業的工程師幫您穩定好每一批產品,如果您有遇到什么需要幫助解決的,可以直接聯系下方的聯系號碼或加QQ/微信,由我們的銷售經理給您精準的報價以及產品介紹

〈烜芯微/XXW〉專業制造二極管,三極管,MOS管,橋堆等,20年,工廠直銷省20%,上萬家電路電器生產企業選用,專業的工程師幫您穩定好每一批產品,如果您有遇到什么需要幫助解決的,可以直接聯系下方的聯系號碼或加QQ/微信,由我們的銷售經理給您精準的報價以及產品介紹
聯系號碼:18923864027(同微信)
QQ:709211280