SMA2EZ7V5,SMA2EZ7V5穩壓二極管,7.5V 2W二極管參數規格書
SMA2EZ7V5穩壓二極管,SMA2EZ7V5為7.5V 2W的穩壓二極管,SMA2EZ7V5參數,SMA2EZ7V5封裝規格書
SMA2EZ7V5穩壓二極管,SMA2EZ7V5為7.5V 2W的穩壓二極管,SMA2EZ7V5參數,SMA2EZ7V5封裝規格書

SMA2EZ7V5 DO-214AC/SMA參數封裝:點擊查看

SMA2EZ7V5封裝有DO-214AC(SMA)/DO-214AA(SMB)
SMA2EZ7V5穩壓二極管參數如下:
Power Dissipation 功率 PD:2W
Zener Voltage Range 齊納電壓 Nom:7.5V
Zener Voltage Range 穩壓電流值 IZT:66.5mA
Dynamic Impedance 動態阻抗:ZZT(at IZT) Max:2Ω
Forward Voltage 正向電壓 VF:1.2V
Reverse Leakage Current 反向漏電流 IR:50μA
Operating and Storage Temperature Range 操作和儲存溫度范圍 Tj, TSTG:-55to+175℃
SMA2EZ7V5穩壓二極管DO-214AC/SMA封裝尺寸:


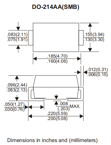
SMA2EZ7V5穩壓二極管DO-214AA(SMB)封裝尺寸:

〈烜芯微/XXW〉專業制造二極管,三極管,MOS管,橋堆等,20年,工廠直銷省20%,上萬家電路電器生產企業選用,專業的工程師幫您穩定好每一批產品,如果您有遇到什么需要幫助解決的,可以直接聯系下方的聯系號碼或加QQ/微信,由我們的銷售經理給您精準的報價以及產品介紹
聯系號碼:18923864027(同微信)
QQ:709211280


