多級放大器電路故障分析
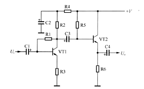
如圖所示,以阻容耦合放大器電路為例,進行電路故障分析說明。

關于多級放大器電路故障分析同單級放大器電路的故障分析基本一樣,這里再作以下幾點補充說明。
1、 當VT1放大級中的直流電路出現故障時,由于C3的隔直作用,不會影響VT2放大級的直流電路工作,但由于第一級放大器電路已經不能正常工作,它沒有正常的信號加到第二級放大器電路中,第二級放大器電路雖然能夠正常工作,但它沒有信號輸出。
2、 當第二級放大器電路的直流電路出現故障后,因為C3的存在也不會影響第一級放大器電路直流電路的工作,第一級放大器電路能夠輸出正常的信號,但由于第二級放大器電路不能正常工作,所以第二級放大器電路也不能夠輸出正常的信號。
提示:
在多級放大器電路中,只要有一級放大器電路出現問題,整個多級放大器電路均不能輸出正常的信號。
3、 當C2開路時,對第二級放大器電路無影響,會使第一級放大器電路輸出信號電壓有所升高,因為VT1集電極負載電阻增加了R4,在一定范圍內集電極負載電阻大電壓放大倍數大。
當C2漏電或擊穿時,第一級放大器電路直流工作電壓變小或無直流電壓,同時由于流過R4的電流加大,也會使+V有所下降而影響第二級放大器電路的正常工作,此時整個放大器電路沒有輸出信號或信號小。
4、 當R4開路時,第一級放大器電路無直流工作電壓,不影響第二級放大器電路工作,但整個放大器電路沒有輸出信號。
直接耦合多級放大器電路故障分析
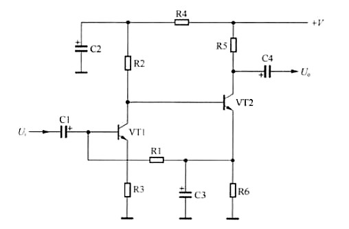
如圖所示,是直接耦合兩級放大器電路。

第一級放大管VT1集電極與第二級放大管VT2基極直接相連,所以是直接耦合放大器。VT1和VT2的信號都從基極輸入,從集電極輸出,所以是共發-共發雙管直接耦合放大器電路。
關于這一多級放大器電路的故障分析主要說明以下幾點。
a、 當R4開路時,VT1沒有直流工作電壓,同時VT2基極也沒有直流電流,此時兩只三極管均處于截止狀態,無信號輸出。
b、 當C2擊穿或嚴重漏電時,VT1和VT2均處于截止狀態。
c、 當C2出現擊穿或漏電故障時,因直流工作電壓為零或太低,影響了VT1正常工作,也影響了VT2正常工作。
d、 當R2開路時,VT1和VT2均不能工作。
e、 當R1開路后,VT1處于截止狀態,VT1無集電極電流,這樣流過R2的電流全部流入VT2基極,使VT2基極電流很大而處于飽和狀態,放大器無信號輸出。當R1短路時,VT1處于飽和狀態,其集電極直流電壓很低,使VT2基極電流偏置電壓很低,VT2將處于截止狀態。
提示:
由于VT1和VT2兩級放大器電路之間是采用直接耦合電路,所以其中一級電路出故障后,將同時影響兩級電路的直流工作狀態,所以在檢查這種直接耦合電路的故障時,要將兩級電路作為一個整體來進行檢查。
三級放大器電路故障分析
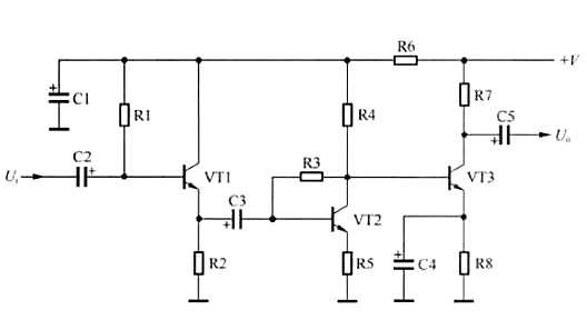
如圖所示,是一個由3只三極管構成的三級放大器電路。

電路中,VT1接成共集電極放大器電路,這是輸入級放大器電路。VT2接成共發射極放大器電路,這是第二級放大器電路,第一級與第二級放大器電路之間采用電容C3耦合。VT3接成共發射極放大器電路,這是第三級放大器電路,它與第二級電路之間采用直接耦合方式。
關于這一多級放大器電路的故障分析主要說明以下兩點:
1、 由于第一級放大器電路與后面兩級電路之間采用的是電容耦合,所以當第一級放大器電路中的直流電路出現故障時,對后面兩級電路的直流電路沒有影響,但沒有正常信號加到后面的放大器電路中,同樣,后兩級放大器電路中的直流電路出現問題,對輸入級放大器直流電路也沒有影響。
2、 電路中只要有一級放大器出現故障,這一多級放大器電路的輸出信號就不正常,但在故障點之前的放大器電路工作是正常的。如VT2放大級存在故障,VT1發射極輸出信號是正常的。
〈烜芯微/XXW〉專業制造二極管,三極管,MOS管,橋堆等,20年,工廠直銷省20%,上萬家電路電器生產企業選用,專業的工程師幫您穩定好每一批產品,如果您有遇到什么需要幫助解決的,可以直接聯系下方的聯系號碼或加QQ/微信,由我們的銷售經理給您精準的報價以及產品介紹
聯系號碼:18923864027(同微信)
QQ:709211280

