導電溝道機理:
如果外部不加控制電壓就有導電溝道的是耗盡型。
如果需要外部加控制電壓才有導電溝道的是增強型。
為什么N溝道增強型MOS管的存在飽和區?
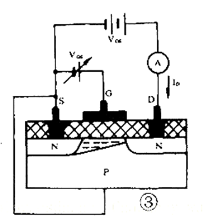
首先明白N溝道增強型MOS管的結構:N管一定是P型襯底,(P管一定是N型襯底,P型襯底的的載流子是電子),在P型襯底上用擴散法制作兩個高摻雜濃度的N區。
然后在P型硅表面生長一層很薄的二氧化硅絕緣層,并二氧化硅表面個兩個N區表面各安置一個電極,形成柵極g、源級s和漏級d。
1.當柵源之間加正向電壓Vgs,且Vgs>=Vt(Vt為開啟電壓)時,柵極和襯底之間形成足夠強的電場,吸引襯底中的少數載流子(電子),使其聚集在柵極的襯底表面,形成N型反型層,該型層就構成了d、s間的導電溝道。
若此時漏級和源級之間夾電壓,將會有漏級電流產生。對于初學者,這也能解釋為什么N型MOS管高電壓導通,低電壓截止。
2.當Vgs<Vt,MOS管截止;

3.當Vds<=Vgs-Vt,工作在線性區;
4.當Vds>Vgs>-Vt,工作在飽和區。
有了上面的基礎,就可以解釋為什么N溝道增強型MOS管的存在飽和區?
也就是預夾斷出現的原因。這個對于N溝道增強型MOS管而言,只要Vgs>=Vt,就會出現反型層,也就是在S、D兩個高濃度摻雜區之間出現N區,N溝道由此得名。
然后在Vds之間加了電壓,這里你注意,D是連接電源正極,根據電子帶負電的特性,既然D是正極,在電場力作用下,反型層中的電子就會被吸引到電源正極D,越靠近S,電場能量越小,吸引力越弱,這就導致了反型層在D端比較窄;
而在S端比較寬的情況,如果Vds繼續增大,電場越強,吸引電子能力越強,反型層靠近D端的自由電子最終被全部吸引到D區,這樣在靠近D端的地方就出現了載流子濃度極低的情況,也就是夾斷區出現了。
MOS管與邏輯門電路
1.兩個N型MOS管并聯,形成“與”邏輯;兩個N型MOS管串聯,形成“或”邏輯。
2.CMOS管總是P管在上,N管在下,成對出現,并且有對偶關系,也就是如果上面是串聯,則下面一定是并聯;如果上面是并聯,則下面一定是串聯。


〈烜芯微/XXW〉專業制造二極管,三極管,MOS管,橋堆等,20年,工廠直銷省20%,上萬家電路電器生產企業選用,專業的工程師幫您穩定好每一批產品,如果您有遇到什么需要幫助解決的,可以直接聯系下方的聯系號碼或加QQ/微信,由我們的銷售經理給您精準的報價以及產品介紹
聯系號碼:18923864027(同微信)
QQ:709211280

