放大器同相放大與反相放大區別
運算放大器(簡稱“運放”)是具有很高放大倍數的電路單元。在實際電路中,通常結合反饋網絡共同組成某種功能模塊。
它是一種帶有特殊耦合電路及反饋的放大器。其輸出信號可以是輸入信號加、減或微分、積分等數學運算的結果。由于早期應用于模擬計算機中用以實現數學運算,因而得名“運算放大器”。
運算放大器是一個內含多級放大電路的電子集成電路,其輸入級是差分放大電路,具有高輸入電阻和抑制零點漂移能力;
中間級主要進行電壓放大,具有高電壓放大倍數,一般由共射極放大電路構成;輸出極與負載相連,具有帶載能力強、低輸出電阻特點。運算放大器的應用非常廣泛。
電路中的運算放大器,有同相輸入端和反相輸入端,輸入端的極性和輸出端是同一極性的就是同相放大器,而輸入端的極性和輸出端相反極性的則稱為反相放大器。
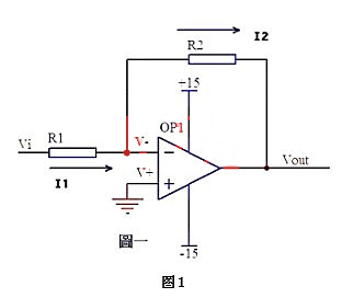
圖一運放的同向端接地=0V,反向端和同向端虛短,所以也是0V,反向輸入端輸入電阻很高,虛斷,幾乎沒有電流注入和流出,那么R1和R2相當于是串聯的,流過一個串聯電路中的每一只組件的電流是相同的,即流過R1的電流和流過R2的電流是相同的。

流過R1的電流:I1=(Vi-V-)/R1………a
流過R2的電流:I2=(V--Vout)/R2……b
V-=V+=0………………c
I1=I2……………………d
求解上面的初中代數方程得
Vout=(-R2/R1)*Vi
這就是反相放大器的輸入輸出關系式了。

圖二中Vi與V-虛短,則Vi=V-……a
因為虛斷,反向輸入端沒有電流輸入輸出,通過R1和R2的電流相等,設此電流為I,由歐姆定律得:
I=Vout/(R1+R2)……b
Vi等于R2上的分壓,即:Vi=I*R2……c
由abc式得Vout=Vi*(R1+R2)/R2,這就是同相放大器的公式了。
集成運算同相放大器和反相放大器選擇
運算放大器可以接成同相放大也可以接成反相放大,那使用同相放大好還是反相放大好呢?我們先來看同相放大和反相放大的區別:
同相放大器
優點:輸入阻抗和運放的輸入阻抗相等,接近無窮大
缺點:放大電路沒有虛地,因此有較大的共模電壓,抗干擾能力相對較差,使用時要求運放有較高的共模抑制比,另一個小缺點就是放大倍數只能大于1;
反相放大器
優點:兩個輸入端電位始終近似為零(同相端接地,反相端虛地),只有差模信號,抗干擾能力強;
缺點:輸入阻抗很小,等于信號到輸入端的串聯電阻的阻值。
另外就是二者的增益計算公式不同,相位相反
由此可見,對比它們要在以下幾個方面:輸入輸出阻抗,共模的抗干擾
1、同相放大器的輸入阻抗和運放的輸入阻抗相等,接近無窮大,同相放大器的輸入電阻取值大小不影響輸入阻抗;
而反相放大器的輸入阻抗等于信號到輸入端的串聯電阻的阻值。因此當要求輸入阻抗很高的時候就應選擇同相放大器。
2、同相放大器的輸入信號范圍受運放的共模輸入電壓范圍的限制,反相放大器則無此限制。
因此如果要求輸入阻抗不高且相位無要求時,首選反相放大,因為反相放大只存在差模信號,抗干擾能力強,可以得到更大的輸入信號范圍。
3、在設計中要求放大倍數相同的情況下盡量選擇數值小的電阻配合,這樣可以減小輸入偏置電流的影響和分布電容的影響。如果很計較功耗,則要在電阻數值方面折中。
電話:18923864027(同微信)
QQ:709211280
〈烜芯微/XXW〉專業制造二極管,三極管,MOS管,橋堆等,20年,工廠直銷省20%,上萬家電路電器生產企業選用,專業的工程師幫您穩定好每一批產品,如果您有遇到什么需要幫助解決的,可以直接聯系下方的聯系號碼或加QQ/微信,由我們的銷售經理給您精準的報價以及產品介紹

