輸入欠壓保護電路
一、輸入欠壓保護電路1
1、概述(電路類別、實現主要功能描述):
該電路屬于輸入欠壓電路,當輸入電壓低于保護電壓時拉低控制芯片的供電Vcc,從而關閉輸出。
2、電路組成(原理圖):


3、工作原理分析(主要功能、性能指標及實現原理):
當電源輸入電壓高于欠壓保護設定點時,A點電壓高于U4的Vref,U4導通,B點電壓為低電平,Q4導通,Vcc供電正常;當輸入電壓低于保護電壓時,A點電壓低于U4的Vref,U4截止,B點電壓為高電平,Q4截止,從而Vcc沒有電壓,此時Vref也為低電平,當輸入電壓逐漸升高時,A點電壓也逐漸升高,當高于U4的Vref,模塊又正常工作。R4可以設定欠壓保護點的回差。
4、電路的優缺點:
該電路的優點:電路簡單,保護點精確
缺點:成本較高。
5、應用的注意事項:
使用時注意R1,R2的取值,有時候需要兩個電阻并聯才能得到需要的保護點。還需要注意R1,R2的溫度系數,否則高低溫時,欠壓保護點相差較大。
二、輸入欠壓保護電路2
1、概述(電路類別、實現主要功能描述):
輸入欠壓保護電路。當輸入電壓低于設定欠壓值時,關閉輸出;當輸入電壓升高到設定恢復值時,輸出自動恢復正常。
2、電路組成(原理圖):


3、工作原理分析(主要功能、性能指標及實現原理):
輸入電壓在正常工作范圍內時, Va大于VD4的穩壓值,VT4導通,Vb為0電位,VT5截止, 此時保護電路不起作用;當輸入電壓低于設定欠壓值時,Va小于VD4的穩壓值,VT4截止,Vb為高電位,VT5導通,將COMP(芯片的1腳)拉到0電位,芯片關閉輸出,從而實現了欠壓保護功能。 R21、VT6、R23組成欠壓關斷、恢復時的回差電路。當欠壓關斷時,VT6導通,將R21與R2并聯,
;恢復時,VT6截止,
,回差電壓即為(Vin’-Vin)。
;恢復時,VT6截止,
,回差電壓即為(Vin’-Vin)。4、電路的優缺點:
優點:電路形式簡單,成本較低。
缺點:因穩壓管VD4批次間穩壓值的差異,導致欠壓保護點上下浮動,大批量生產時需經常調試相關參數。
5、應用的注意事項:
VD4應該選溫度系數較好的穩壓管,需調試的元件如R2應考慮多個并聯以方便調試。
輸出過壓保護電路
一、輸出過壓保護電路1
1、概述(電路類別、實現主要功能描述):
輸出過壓保護電路。當有高于正常輸出電壓范圍的外加電壓加到輸出端或電路本身故障(開環或其他)導致輸出電壓高于穩壓值時,此電路會將輸出電壓鉗位在設定值。
2、電路組成(原理圖):


3、工作原理分析(主要功能、性能指標及實現原理):
輸出過壓時,加在VD3上的電壓大于其穩壓值時,VD3導通,輸出電壓被鉗位,同時通過IC4向原邊反饋。
4、電路的優缺點:
優點:電路形式簡單,成本較低。
缺點:因穩壓管VD3批次間穩壓值的差異,導致過壓鉗位點上下浮動,大批量生產時需經常調試相關參數。
5、應用的注意事項:
VD3應該選溫度系數較好的穩壓管,需調試的元件如R32應考慮多個并聯以方便調試。
當過壓保護電路起作用時,電路處于非正常工作狀態。對于有輸出電壓上下調功能的電路,過壓保護點應大于輸出電壓上調最大值。
二、輸出過壓保護電路2
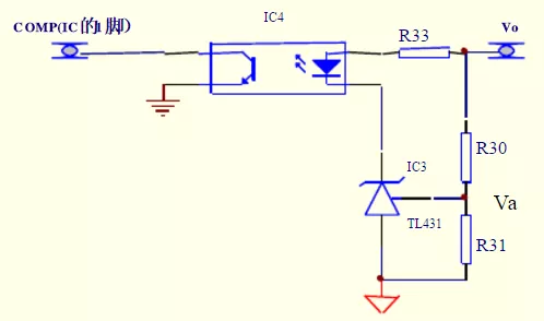
1、概述(電路類別、實現主要功能描述):
輸出過壓保護電路。當有高于正常輸出電壓范圍的外加電壓加到輸出端或電路本身故障(開環或其他)導致輸出電壓高于正常值時,此電路會將輸出電壓穩定在設定值。
2、電路組成(原理圖):


3、工作原理分析(主要功能、性能指標及實現原理):
輸出過壓時,Va>Vref,IC3導通,通過IC4向原邊反饋,輸出電壓穩定在設定的過壓保護值。
4、電路的優缺點:
優點:輸出過壓保護值可以精確設置。
缺點:相對穩壓管鉗位方式成本稍高一些。
5、應用的注意事項:
當過壓保護電路起作用時,電路處于非正常工作狀態。對于有輸出電壓上下調功能的電路,過壓保護點應大于輸出電壓上調最大值。
過壓保護自鎖控制電路
1、概述(電路類別、實現主要功能描述):
在電源系統中,當反饋回路失效時,輸出電壓不受控,電壓升高超出規定范圍,此時過高的輸出電壓有可能造成后續電器設備的損壞。為解決這問題,通常在電源中增加過壓保護電路。過壓保護的方式一般有三種。
A、鉗位型:當反饋失效時,通過過壓鉗位電路將輸出電壓鉗位在一個定值。
B、間歇保護型:當反饋失效時,通過保護電路使輸出電壓來回重啟,輸出電壓的最高點為過壓保護點。
C、自鎖型:當輸出電壓達到過壓保護點時,電路動作,關閉PWM使模塊無輸出。在排除故障后再重啟電源輸出才正常供電。下述電路為自鎖型控制電路。
2、電路組成(原理圖):


3、工作原理分析(主要功能、性能指標及實現原理):
上圖中為隔離的自鎖型控制電路。當過壓保護信號CONTROL端給出一個高電平時,U1中的三極管導通,VCC為整個電路的供電端。Vcc經R5給Q2一個基極電流,Q1導通并進入飽和狀態,SHUT端被Q2拉至低電平,PWM關閉電源無輸出。Q2同時控制Q1的導通。當 Q2導通時,Q1的基極電流經R2到地,Q1導通,經R3再提供一個基極電流給Q2,維持Q2的導通。Q1及R1、R2、R3構成了Q2的正反饋電路。
4、電路的優缺點:
優點:可有效的進行自鎖保護,整個電路等效于一個可控硅。
缺點:整個電路需要一個固定的Vcc。當PWM電源端無供電時,也需保證上圖中VCC電壓的存在。
5、應用的注意事項:
1.此電路要有持續的供電自鎖才有效。
2.此電路不宜使用在無人值守的電源系統里。
過溫保護電路
1、概述(電路類別、實現主要功能描述):
該電路屬于過溫保護電路,但溫度高于設定的保護點時,關閉模塊輸出,當溫度恢復后自動開啟模塊。
2、電路組成(原理圖):


3、工作原理分析(主要功能、性能指標及實現原理):
穩壓管給U103MAX6501提供5V電壓,溫度正常時,U103的五腳輸出高電平,當溫度超過保護點時U103的五腳輸出低電平,當溫度恢復后,U103的五腳輸出高電平。
4、電路的優缺點:
該電路的優點:電路簡單,精確度高。
缺點:成本較高。
5、應用的注意事項:
5.1 MAX6501的3腳和1腳相連時,回差溫度是10℃,當其3腳和地相連時,回差溫度是2℃。
5.2 MAX6501的供電電壓不能超過7V,否則會損壞。
5.3 MAX6501一定要放置在最熱部分的附近。
過溫保護電路-熱敏電阻
1、概述(電路類別、實現主要功能描述):
本電路采用熱敏電阻檢測基板溫度,熱敏電阻阻值隨基板溫度變化而變化, 熱敏電阻阻值的變化導致運放輸入電壓變化,從而實現運放的翻轉控制PWM芯片的輸出,進而將模塊關閉。
2、電路組成(原理圖):


3、工作原理分析(主要功能、性能指標及實現原理,關鍵參數計算分析):
R99熱敏電阻是負溫度系數熱敏電阻,常溫時,R99=100k,R99與R94的分壓0.45V為U2運放的負輸入,遠低于運放的正輸入2.5V(R23與R97分壓),因此運放的輸出是高電平,對LM5025的SS端無影響,模塊正常工作。
隨著基板溫度升高,R99電阻阻值減小,當減小到一定值時,使得運放的負輸入大于正輸入時,運放輸出低電平,將LM5025的SS拉低,從而關閉模塊輸出;溫度保護點可以適當調整R94,R23,R97的阻值而相應地調整。
模塊關閉輸出后(過溫保護),基板溫度會降低,R99阻值會增大,運放的負輸入會降低,為使運放的正常翻轉,引入電阻R98,原理是運放輸出低后,R98相當于與R97并聯,將運放的基準變低,拉開運放正負輸入的電壓間距,從而實現溫度回差。比如基板溫度90℃時保護,80℃時開啟。
4、關鍵參數計算分析:
4.1 運放正輸入電壓:
VR97=Vref2=5/(1+R23/R97)=5/(1+10/10)=2.5V
4.2 運放負輸入電壓:
VR94+0.007=VR97=5*R94/(R99+R94)+0.007,
4.3 得出溫度保護時熱敏電阻的阻值:
R99(t)=(Vref*R24/(Vref*R97/(R23+R97)-0.007))-R94
4.4 考慮容差時的計算見下表:


4.5 過溫保護時,R99的值


4.6 R99-SDNT2012X104J4250HT(F)是負溫度系數的熱敏電阻,25°C時100k,過溫保護時阻值10k左右(見上表),計算溫度為:
Rt=R*e(B(1/T1-1/T2)) T1=1/(ln(Rt/R)/B+1/T2))
T2:常溫25°C,上式中T2=273.15+25=298.15;B:4250±3%;R:25°C時的電阻值,100k,計算出的T1值也是加了273.15后的值,因此下表中t1=T1-273.15,是攝氏度。Rt:溫度變化后的阻值,10k,9.704k,10.304k,見上表


4.7 回差
運放輸出低后,電阻R98(51k)就并在R97上,將基準拉低,新的基準電壓 Vref1=Vref*(R98//R97)/(R23+R98//R97)=2.28V 達到2.44V時,R99的阻值R99=Vref*R94/Vref1-R94=11.9k R99達到10.49k時,溫度按下表計算


溫度回差=82.6-77.3=5.3℃
5、電路的優缺點:
優點: 溫度保護點及溫度回差很容進行調整
缺點: 溫度準確度偏低
電路比采用溫度開關略復雜
溫度保護時反映的是熱敏電阻附近的基板溫度,不能反映模塊的最高器件的溫度,不過這可以在設計時解決,比如基板溫度在90℃保護,實際板上器件最高溫度已達130℃,就可以適當調整溫度保護點,從而起到保護作用。
6、應用的注意事項:
盡量將熱敏電阻放置在發熱器件附近。
烜芯微專業制造二極管,三極管,MOS管,橋堆等20年,工廠直銷省20%,4000家電路電器生產企業選用,專業的工程師幫您穩定好每一批產品,如果您有遇到什么需要幫助解決的,可以點擊右邊的工程師,或者點擊銷售經理給您精準的報價以及產品介紹
烜芯微專業制造二極管,三極管,MOS管,橋堆等20年,工廠直銷省20%,4000家電路電器生產企業選用,專業的工程師幫您穩定好每一批產品,如果您有遇到什么需要幫助解決的,可以點擊右邊的工程師,或者點擊銷售經理給您精準的報價以及產品介紹

