
BT33管腳排列圖


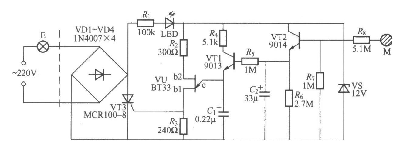
觸摸式漸暗延遲燈電路
本電路圖所用到的元器件:
MMCR100-8 9013 9014 BT33
觸摸式漸暗延遲燈電路如圖所示,電路特點:開燈時只要摸一下觸摸片,燈即亮,延遲數十秒后,燈不是馬上熄滅,而是逐漸變暗,直至熄滅。該觸摸開關對外也僅兩根引出線,可以直接取代普通燈開關,而不必更改室內原有布線。該電路每觸摸一次M,電燈可點亮45~60s左右,若想更改延遲時間,可以調整C1或R4值。
烜芯微專業制造二極管,三極管,MOS管,橋堆等,20年,工廠直銷省20%,1500家電路電器生產企業選用,專業的工程師幫您穩定好每一批產品,如果您有遇到什么需要幫助解決的,可以直接聯系上方的聯系號碼或加QQ,由我們的銷售經理給您精準的報價以及產品介紹
烜芯微專業制造二極管,三極管,MOS管,橋堆等,20年,工廠直銷省20%,1500家電路電器生產企業選用,專業的工程師幫您穩定好每一批產品,如果您有遇到什么需要幫助解決的,可以直接聯系上方的聯系號碼或加QQ,由我們的銷售經理給您精準的報價以及產品介紹

