常用于AC-DC開關電源的600V,5A高壓功率MOS管:5N60場效應管。究竟有多少種品牌是可以適用的呢?今天就跟電子工程師們分享一點少少經驗!
正如目前FQP5N60是一款國外mos管型號應用于AC-DC開關電源產品中。相信在國際形勢的催化下,在國內大部分廠商都建立后備的電子元器件供應商庫,避免在全球化競爭中被別人捏著脖子。而場效應管市場中,5N60型號N溝道增強型高壓功率MOS場效應管即可跟FQP5N60型號參數進行對標。


在實際應用情況下,高壓MOS管能夠讓AC/DC開關電源芯片保持穩定工作,進而讓AC-DC開關電源保持輸出電源穩定。
開關電源芯片就是利用電子開關器件MOS管,通過控制電路,使電子開關器件不停地“接通”和“關斷”,讓電子開關器件對輸入電壓進行脈沖調制。因此一款好的高壓MOS管是對AC-DC開關電源的保障。


這款5N60為N溝道增強型高壓功率MOS場效應管。該產品廣泛適用于AC-DC開關電源, DC-DC電源轉換器,高壓H橋PMW馬達驅動。在使用方面是能完全匹配型號為FQP5N60的國外場效應管。
這款5N60的特點是5.0A, 600V, RDS(on) = Ω(max) @VGS = 10 V低電荷、低反向傳輸電容開關速度快。
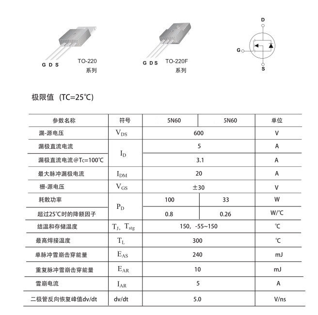
5N60的主要封裝形式是TO-220/TO-220F/TO-251/TO-252/TO-262/TO-263,腳位排列位GDS。這款產品參數:Vgs(±V):30;VTH(V):2-4;ID(A):5;BVdss(V):600。
烜芯微專業制造二極管,三極管,MOS管,橋堆等20年,工廠直銷省20%,4000家電路電器生產企業選用,專業的工程師幫您穩定好每一批產品,如果您有遇到什么需要幫助解決的,可以點擊右邊的工程師,或者點擊銷售經理給您精準的報價以及產品介紹
