關于怎么選擇合適的放大器是很多客戶關注的問題,在應用當中我們應該要采用什么樣的放大器才能滿足生產的需求,達到品質的保障,先別急,我們先來了解一下什么是放大器。
放大器是能把輸入訊號的電壓或功率放大的裝置,由電子管或晶體管、電源變壓器和其他電器元件組成。用在通訊、廣播、雷達、電視、自動控制等各種裝置中。增加信號幅度或功率的裝置,它是自動化技術工具中處理信號的重要元件。放大器的放大作用是用輸入信號控制能源來實現的,放大所需功耗由能源提供。對于線性放大器,輸出就是輸入信號的復現和增強。對于非線性放大器,輸出則與輸入信號成一定函數關系。放大器按所處理信號物理量分為機械放大器、機電放大器、電子放大器、液動放大器和氣動放大器等,其中用得最廣泛的是電子放大器。
就某個具體的模數轉換器而言,哪款放大器是最好的驅動器。不幸的是,就像生活中的很多問題一樣,答案是“視情況而定”。在決定選擇最佳放大器的最佳方法時,ADC 架構、分辨率、信號帶寬以及其他特定的應用細節都在發揮著作用。在本文中,我們在驅動 SAR ADC 的情況下考慮一下這些問題。
SAR ADC 是模數轉換器世界的主力。一般而言,這類 ADC 位于高分辨率、低速增量累加 ADC 和高速、較低分辨率的流水線 ADC 之間。憑借其無延遲特性,在下列應用中 SAR ADC 常常是比 ΔΣ ADC 和流水線型 ADC 更好的選擇,即:具有多路復用信號的應用、在一個任意空閑周期之后需要實現準確首次轉換的應用 (比如 ATE)、以及 ADC 位于一個要求快速反饋的環路之內的應用。
在大多數情況下,傳感器的輸出都不能直接連接到 SAR ADC 的輸入。需要一個放大器來獲取最佳 SNR 和失真性能。SAR ADC 將其輸入采樣至內部電容器上,并以一種逐次二進制加權序列對輸入電壓值與基準電壓進行比較。當至采樣電容器的開關開路時,由于從采樣電容器至輸入節點電壓失配的原因,電荷被注入輸入節點。在放大器和 ADC 之間布設了一個簡單的單極點 RC 濾波器。除了濾除高頻噪聲和混疊分量,其用途還有幫助吸收這種注入的電荷。為這種濾波器選擇截止頻率時,必須小心。截止頻率應該設定在足夠低的頻率上,這能有效吸收注入電荷并濾除噪聲,但是頻率又要足夠高,以使放大器能在數據轉換器的采樣時間內達到穩定。因為這種濾波器單獨使用不足以限制噪聲,所以在放大器輸入端,一般還包括一個截止頻率更低的濾波器 。


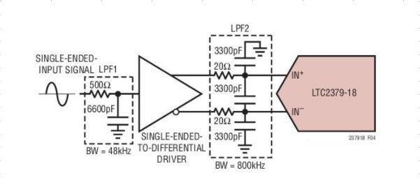
SINGLE-ENDED-INPUT SIGNAL:單端輸入信號
SINGLE-ENDED-TO-DIFFERENTIAL DRIVER:單端至差分驅動器
驅動差分輸入 SAR ADC
很多性能最高的 SAR ADC 都采用差分輸入,以最大限度地擴大低電源電壓的動態范圍。圖 1 所示的 LTC2379-18 就是這樣一個例子,該器件以 2.5V 電源和高達 5V 的基準工作,以實現 10V 的峰值至峰值差分輸入范圍。如果輸入信號已經是差分的,那么要緩沖信號并驅動 ADC,全部所需也許僅是 LT6203 等低噪聲、快速穩定的雙通道運算放大器。這些放大器配置為單位增益緩沖器,為輸入信號提供高阻抗輸入端。
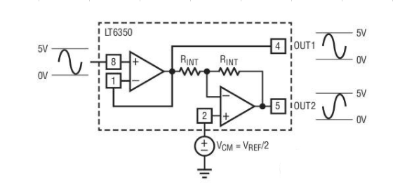
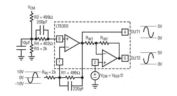
不過,在很多情況下,輸入是單端的,而且必須轉換為差分信號。用 LT6350 等放大器可以很容易地完成這個任務。這類放大器有兩級:第一級產生一個緩沖非倒相輸入信號,第二級產生倒相輸出。如果輸入信號已經與 ADC 的輸入范圍相匹配,那么這個放大器就可以如圖 2a 上部所示,用來為信號提供一個高阻抗緩沖器。如果信號需要擴大并移位,以與 ADC 的輸入范圍相匹配,那么可以如圖 2b 下部所示那樣去做。在這個例子中,一個單端 ±10V 信號被轉換成 0 至 5V 的差分信號 (R2 和 R3 用來給信號移位,RIN 和 R1 用來擴大信號)。在精確的模擬電路中常常忽視的事情是,增益設定和電平移位電阻器之間需要高度匹配。若采用 0.1% 準確度的分立電阻器,則具有將隨著時間、溫度和共模電壓范圍而變化的失配,其程度之甚使其很可能成為電路誤差的主要根源。使用 LT5400 等精確匹配的電阻器將有助于減輕這個問題。
放大器在電源電壓和輸出電壓之間需要空間。為了保持最佳的準確度和線性度,視放大器的不同而不同,輸出一般必須在電源軌以內 0.5V 或更多。這意味著,必須給放大器提供比 ADC 輸入范圍寬的電源電壓范圍,或者 ADC 必須從放大器接受一個受限的輸入范圍。LTC2379-18 等 ADC 包括“數字增益壓縮”功能,該功能從內部設定 ADC 的滿標度與地及基準電壓均相差 0.5V。這允許使用單一 5V 電源的放大器與 ADC 的滿標度匹配。
、



用 LT6350 進行單端至差分轉換
驅動偽差分 ADC
將單端模擬信號轉換為數字信號時,另一種方法是完全跳過差分轉換,并使用新的 LTC2369-18 等偽差分 ADC。代價是,由于較小的輸入范圍,失去了多達 6dB 的信噪比。此外,差分架構天生更易于消除偶次諧波。不過,堅持使用單端架構也有一些重要的優點。驅動電路更簡單:可以簡單到使用一個諸如 LT6202 等低噪聲快速穩定的運算放大器。不需要第二個運算放大器和電阻器來建立倒相輸入。除了使用更少的組件,該電路的功率和噪聲天生較低。因為一個較低噪聲的抗混疊濾波器跟隨在放大器之后,可以有更高的截止頻率。
這使得放大器能夠更容易地在 ADC 轉換時間之內實現穩定,從而令其在逐次轉換有可能在整個全標度范圍內發生變化的應用中成為上佳的選擇,正如與具有多路復用信號的場合一樣。


需要再次強調的是,必須考慮放大器的空間 —— 電源電壓必須距離可對信號進行無失真驅動的放大器輸出擺幅足夠遠。在大多數情況下,這意味著,必須為放大器提供負軌。解決這個問題的一種方法是使用 LTC6360 等產品。這種新的放大器 (圖 3) 為驅動 SAR ADC 而優化,具有一個集成的超低噪聲充電泵,該充電泵產生自己的內部負電壓軌。在僅用單一正電源時,這允許輸出一直擺動到地,甚至比地低一點兒。LTC6360 保持卓越的準確度 (250μV 失調,2.3nV/√Hz 噪聲),并可以快速穩定 (16 位,150ns)。
烜芯微專業制造二極管,三極管,MOS管,橋堆等20年,工廠直銷省20%,1500家電路電器生產企業選用,專業的工程師幫您穩定好每一批產品,如果您有遇到什么需要幫助解決的,可以點擊右邊的工程師,或者點擊銷售經理給您精準的報價以及產品介紹
烜芯微專業制造二極管,三極管,MOS管,橋堆等20年,工廠直銷省20%,1500家電路電器生產企業選用,專業的工程師幫您穩定好每一批產品,如果您有遇到什么需要幫助解決的,可以點擊右邊的工程師,或者點擊銷售經理給您精準的報價以及產品介紹