二極管
在生活中我們也常常會用到二極管,那么二極管有哪幾種?二極管在電路中的作用是什么?二極管是用半導體材料(硅、硒、鍺等)制成的一種電子器件 。它具有單向導電性能, 即給二極管陽極和陰極加上正向電壓時,二極管導通。 當給陽極和陰極加上反向電壓時,二極管截止。 因此,二極管的導通和截止,則相當于開關的接通與斷開。

二極管的結構組成
二極管就是由一個PN結加上相應的電極引線及管殼封裝而成的。
采用不同的摻雜工藝,通過擴散作用,將P型半導體與N型半導體制作在同一塊半導體(通常是硅或鍺)基片上,在它們的交界面就形成空間電荷區稱為PN結。
由P區引出的電極稱為陽極,N區引出的電極稱為陰極。因為PN結的單向導電性,二極管導通時電流方向是由陽極通過管子內部流向陰極。

二極管的電路符號如圖所示。二極管有兩個電極,由P區引出的電極是正極,又叫陽極;由N區引出的電極是負極,又叫陰極。三角箭頭方向表示正向電流的方向,二極管的文字符號用VD表示。
二極管在電路中的作用是什么
二極管在電路中的作用是什么,生活中所有的電子電路中基本上都會用到二極管,它的特性也是非常之多,最主要就是單方向導電性,(單向導電性的兩根引腳之間的電阻分為正向電阻和反向電阻兩種)。人們利用這些不同特性構成各種具體的應用電路,分析不同電路中的二極管工作原理時,要用到二極管的不同特性,選擇二極管的什么特性去分析電路是最大困難之一,只有掌握了二極管的各種特性,才能從容地分析二極管電路的工作原理,下面就根據產品和電路圖來給大家介紹二極管在電路中的作用是什么。

整流電路圖
這是全波整流電路,電路中的VD1和VD2為整流二極管,在電源電路中都是用整流二極管構成整流電路,整流電路將交流電壓轉換成單向脈動的直流電壓。

簡易穩壓電路圖
電路中的3只二極管VD1,VD2和VD3構成串聯電路,他們在電路中起著直流穩壓的作用。

溫度補償型偏置電路圖
這是一種特殊的分壓偏置電路,二極管VD1用來進行溫度補償,以使三極管VT1的工作更加穩定,受溫度影響更小。

保護電路圖
路中的二極管VDC用來保護驅動三級管VT1。這種保護電路在繼電器驅動和電磁鐵吸鐵電路中有廣泛的應用。

穩壓值調節電路圖
如果穩壓二極管的穩壓值不能滿足使用要求時,可以用普通二極管進行穩壓值調節,在電路中的VD2是穩壓二極管,VD1則是普通二極管,VD1能增加直流電壓0.6V。

開關二極管電路圖
電路中VD1是開關二極管,他的作用相當于一個開關,用來接通和斷開電容C2的。

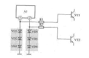
二極管限幅電路圖
電路中的二極管串聯后接在集成電路A1輸出信號引腳與地之間,構成對輸出信號的限幅,防止輸出信號太大而損壞后面的三極管。
二極管的應用
1、整流二極管
利用二極管單向導電性,可以把方向交替變化的交流電變換成單一方向的脈動直流電。
2、開關元件
二極管在正向電壓作用下電阻很小,處于導通狀態,相當于一只接通的開關;在反向電壓作用下,電阻很大,處于截止狀態,如同一只斷開的開關。利用二極管的開關特性,可以組成各種邏輯電路。
3、限幅元件
二極管正向導通后,它的正向壓降基本保持不變(硅管為0.7V,鍺管為0.3V)。利用這一特性,在電路中作為限幅元件,可以把信號幅度限制在一定范圍內。
4、繼流二極管
在開關電源的電感中和繼電器等感性負載中起繼流作用。
5、檢波二極管
在收音機中起檢波作用。
6、變容二極管
使用于電視機的高頻頭中。
烜芯微專業制造二極管,三極管,MOS管,20年,工廠直銷省20%,1500家電路電器生產企業選用,專業的工程師幫您穩定好每一批產品,如果您有遇到什么需要幫助解決的,可以點擊右邊的工程師,或者點擊銷售經理給您精準的報價以及產品介紹
烜芯微專業制造二極管,三極管,MOS管,20年,工廠直銷省20%,1500家電路電器生產企業選用,專業的工程師幫您穩定好每一批產品,如果您有遇到什么需要幫助解決的,可以點擊右邊的工程師,或者點擊銷售經理給您精準的報價以及產品介紹

