MOSFET芯片在制作完成之后,需要給MOSFET芯片加上一個外殼,即MOS管封裝。MOSFET芯片的外殼具有支撐、保護、冷卻的作用,同時還為芯片提供電氣連接和隔離,以便MOSFET器件與其它元件構成完整的電路。按照安裝在PCB 方式來區分,MOS管封裝主要有兩大類:插入式(Through Hole)和表面貼裝式(Surface Mount)。插入式就是MOSFET的管腳穿過PCB的安裝孔焊接在PCB 上。表面貼裝則是MOSFET的管腳及散熱法蘭焊接在PCB表面的焊盤上。
TO247是比較常用的小外形封裝,表面貼封裝型之一,247是封裝標準的序號。常見的TO-247AC和TO-247AD應該都是vishay的名稱。TO-247封裝尺寸介于模塊與單管之間,能封裝大部分的電子元器件,TO247一般為非絕緣封裝,TO-247的管子一般用在大功率的POWER中,用作開關管的話,它的耐壓和電流會比較大一點。烜芯微科技有限公司的TO247封裝在二極管、三極管、MOSFET、IGBT、可控硅、電源模塊、整流橋、功率電阻等領域工藝與技術已經趨于完善。


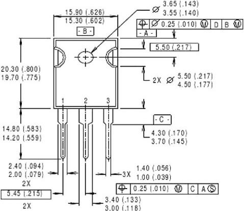
MOS管 TO-247封裝尺寸及外形






TO247安裝到散熱器上注意事項
1、散熱器要光滑平整,無毛刺、無鐵銷、無贓物,檢查散熱器上的螺絲孔無毛刺;
2、涂覆導熱硅脂:給TO247模塊DBC底板上涂覆一薄層導熱硅脂(DBC底板很平整,導熱硅脂涂敷量不宜多),導熱硅脂涂覆厚度小于50μm,盡量涂覆均勻,這是最重要的一點;
3、裝配,模塊放置于正確位置,將兩個螺釘先裝上不要加力;一手按住模塊一手給,第一個螺釘少許加力;接著給第二個螺釘加力,可以一次加力到位;再給第一個螺釘加力到位,完成散熱器上的裝配。
MOS管 TO-247封裝與其他封裝對比
元器件的封裝對性能的影響并不大,只是外形按照終端的需求要設計。下面是SOT-247封裝與其他封裝的一些對比。所以制作元件封裝焊盤尺寸、孔的尺寸不同,3個焊盤間距也不同.空間留的大小也不同.注意,SOT-227封裝也有兩腳封裝..兩腳封裝就是取消了中間腳.
(一)TO-247封裝與TO-3P封裝的區別
TO-247封裝與TO-3P封裝都是3引腳輸出的,里面的裸芯片(即電路圖)是可以完全一樣的,所以功能及性能基本一樣,最多是散熱及穩定性稍有影響。由于不同的終端需要,所以需要不同的外形而已。比如現在的手機MP3越做越薄,越做越小,那么上面的芯片只能采用小型外形的,所以就要求同樣的功能下的IC外形要小。
(二)TO-220封裝和TO-247封裝的區別
TO247封裝腳距:5.56mm;寬度:15.8mm;管腳最大寬度:1.29mm
TO220封裝腳距:2.54mm,寬為5.08mm ;管腳最大寬度:1.29mm
MOS管 TO-247封裝選型

烜芯微專業制造二三極管,MOS管,20年,工廠直銷省20%,1500家電路電器生產企業選用,專業的工程師幫您穩定好每一批產品,如果您有遇到什么需要幫助解決的,可以點擊右邊的工程師,或者點擊銷售經理給您精準的報價以及產品介紹

烜芯微專業制造二三極管,MOS管,20年,工廠直銷省20%,1500家電路電器生產企業選用,專業的工程師幫您穩定好每一批產品,如果您有遇到什么需要幫助解決的,可以點擊右邊的工程師,或者點擊銷售經理給您精準的報價以及產品介紹

