快恢復二極管多用于高頻場合,常與可控功率半導體器件結合使用,反向恢復時間trr是指二極管從導通狀態恢復到具有阻斷能力時所需要的時間。由于載流子的存在,移除這些載流子使二極管開始具有阻斷能力需要一定的時間。在高達數百安培工作電流情況下。快恢復二極管反向恢復時間只需要幾個微秒。 快恢復二極管另一個特別的特性是軟關斷,也稱為軟恢復。下面給出了各種不同的二極管類型的內部設計實現方法。
大多數的應用中負載呈感性,所以IGBT需要反并聯一個二極管,這樣在IGBT關斷之后,可以給感性負載提供續流回路。否則,電感上的過電壓可能損壞IGBT。因此這樣的二極管也被稱為續流二極管(FWD)。
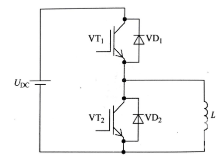
在電路拓撲中,二極管的關斷特性依賴于IGBT的開關特性(如圖1所示的半橋結構,VD1和VD2分別受到VT2和VT1的影響)。由于二極管只有復合全部載流子后,才能夠重新具有全電壓阻斷能力,因此,快速開關IGBT會導致其對應的二極管產生明顯的電流梯度di/dt和反向恢復電流。這樣,二極管會產生不可忽略的瞬時反向過電流。


圖1 在感性負載中IGBT采用快恢復續流二極管
IGBT在開通后,不僅要通過負載電流,還要給續流二極管在關斷時產生的反向恢復電流提供回路。這個峰值電流很容易達到IGBT的安全工作區(SOA),這樣IGBT的實際可用最大電流受到限制。根據IEC 60747-9標準,SOA定義了IGBT在開通狀態下的最高集電極電流IC。
即使在很好的散熱條件下,IGBT的工作電流也不得超過這個極限值。這個電流與IGBT在開
通和關斷時集電極和發射極之間的電壓Uce相關。通常是指Tc=25℃時,所可能流過的最大直流或者脈沖電流。
優化二極管開關特性的目標就是能夠最大限度地利用IGBT的容量。一種方法是通過摻雜降低載流子的壽命。另一種方法是在制造過程中采用電子輻照的手段來減少反向恢復時間和降低反向恢復電流。但是這種方法會增加二極管的正向導通壓降,也就是增加了非預期齲的通態損耗。特別是對于阻斷電壓超過1kV的功率二極管來說,這種方法受到一定的限制。而且,載流子的壽命降低可能會導致反向恢復電流突然中斷,從而引起了電流的諧振和電磁兼容(EMC)問題,嚴重的可能會損壞二極管。二極管關斷過程中的電流中斷現象也被稱為“活躍”特性。
除了其他因索之外,追求軟恢復的設計方法推動了二極管的研發。這類二極管主要分為兩種均勻地降低P發射極效率(發射極控制二極管)或者改變內部結構降低P發射極端率。這些技術常用于高功率的肖特基二極管,因此也被稱作混合PIN肖特基(MPS)二極管。MPS二極管結構如圖2所示。與傳統的肖特基二極管不同的是,MPS二極管在金屬半導體結上增加了P型孤島構成了PIN型二極管結構。
另一種方法是通過調整軸向載流子壽命以獲得期望的開關特性。這樣,復合中心需要植入到PN結內。這類二極管被稱作軸向壽命控制技術(CAL)二極管。


快恢復二極管
圖2 碳化硅肖特基二極管的兩種內部結構和電路符號(不成比例)
烜芯微專業制造二三極管20年,工廠直銷省20%,1500家電路電器生產企業選用,專業的工程師幫您穩定好每一批產品,如果您有遇到什么需要幫助解決的,可以點擊右邊的工程師,或者點擊銷售經理給您精準的報價以及產品介紹
烜芯微專業制造二三極管20年,工廠直銷省20%,1500家電路電器生產企業選用,專業的工程師幫您穩定好每一批產品,如果您有遇到什么需要幫助解決的,可以點擊右邊的工程師,或者點擊銷售經理給您精準的報價以及產品介紹